万能試験機 | グリップ・治具 | Kシリーズ

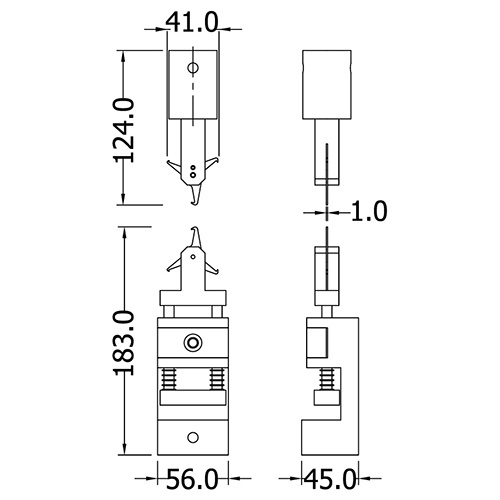
■チャックグリップ 型式:GR-K010

容量 500N
ジョーフェース幅 50mm
試験片使用サイズ 厚さ0.5~4mm
最小荷重元 50N
適用湿度 -30~200°C
重量 1727g/個
対応する試験規格 ASTM D2061
対応するサンプル例 チャック試験向け

■引張コイルグリップ 型式:GR-K020

容量 200N
試験片使用サイズ 線径Ø 0.5~2.5mm
最小荷重元 20N
適用湿度 -10~200°C
重量 上グリップ 470g | 下グリップ 1748g
対応するサンプル例 バネ業

■引張コイルグリップ 型式:GR-K02A

容量 500N
試験片使用サイズ 線径Ø 3.0~6.0mm
最小荷重元 50N
適用湿度 -10~200°C
重量 上グリップ 620g | 下グリップ 1804g
対応するサンプル例 バネ業

■引張コイルグリップ 型式:GR-K02B

容量 1kN
試験片使用サイズ 直径 3~6mm
最小荷重元 100N
適用湿度 -10~200°C
重量 上グリップ: 634g | 下グリップ: 1597g
対応するサンプル例 バネ業

■ピンチグリップ 型式:GR-K030

容量 500N
ジョーフェース幅 25.4mm
試験片使用サイズ 厚さ0.2~5mm
最小荷重元 20N
適用湿度 -10~200°C
重量 195g/個
対応するサンプル例 軟質で片状の材料や小さめの試験片向け

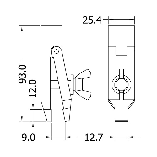
■ピンチグリップ 型式:GR-K03A

容量 500N
ジョーフェース幅 12.7mm
試験片使用サイズ 厚さ0.2~5mm
最小荷重元 20N
適用湿度 0~100°C
重量 700g/個
対応するサンプル例 軟質で片状の材料や小さめの試験片向け

■小型ピンチグリップ 型式:GR-K03B

容量 200N
ジョーフェース幅 12mm
試験片使用サイズ 厚さ0.2~3mm
最小荷重元 10N
適用湿度 -10~200°C
重量 54g/個
対応するサンプル例 軟質で片状の材料や小さめの試験片向け

■ピンチグリップ 型式:GR-K03C

容量 500N
ジョーフェース幅 25.4mm
試験片使用サイズ 厚さ 0.2~5mm
最小荷重元 100N
適用湿度 -10~200°C
重量 200g/個
対応するサンプル例 軟質で片状材料や小さめの試験片向け

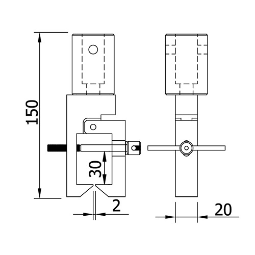
■端子グリップ 型式:GR-K040

容量 500N
ジョーフェース幅 20mm
試験片使用サイズ 厚さ 0.2~3mm
最小荷重元 50N
適用湿度 0~100°C
重量 827g/個
対応するサンプル例 端子接続引張試験向け