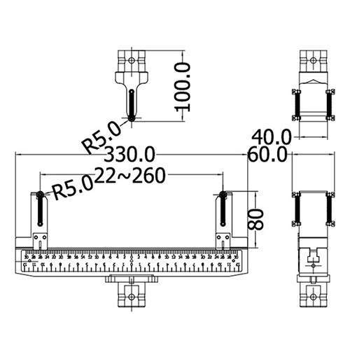
■三点曲げ試験台 型式:GR-C010
| 容量 | 10kN |
| ジョーフェース幅 | 40mm |
| 上グリップスパン | |
| 下グリップスパン | 22~260mm |
| 最小荷重元 | 200N |
| 適用湿度 | 0~200°C |
| 上グリップ重量 | 801g/個 |
| 下グリップ重量 | 5342g/個 |
| 対応サンプル例 | 金属、木材、ガラス、高硬度プラスチック試験片向け |
| アプリケーション | ASTM D790 曲げ試験 |
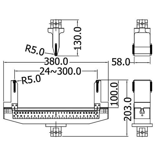
■三点曲げ試験台 型式:GR-C020
| 容量 | 20kN |
| ジョーフェース幅 | 58mm |
| 上グリップスパン | |
| 下グリップスパン | 24~300mm |
| 最小荷重元 | 500N |
| 適用湿度 | 0~100°C |
| 上グリップ重量 | 1960g/個 |
| 下グリップ重量 | 11510g/個 |
| 対応サンプル例 | 金属、木材、ガラス、高硬度プラスチック試験片向け |
| アプリケーション | ASTM D790 曲げ試験 |
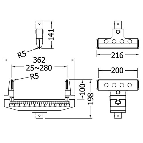
■三点曲げ試験台 型式:GR-C040
| 容量 | 10kN |
| ジョーフェース幅 | 200mm |
| 上グリップスパン | |
| 下グリップスパン | 25~280mm |
| 最小荷重元 | 1kN |
| 適用湿度 | 0~200°C |
| 上グリップ重量 | 2774g/個 |
| 下グリップ重量 | 16622g/個 |
| 対応する試験規格 | ASTM D790 ASTM D790 ASTM D790 ASTM D790 ASTM D790 |
| 対応サンプル例 | 金属、木材、ガラス、高硬度プラスチック試験片など大型試験片 |
| アプリケーション | ASTM D790 曲げ試験 |
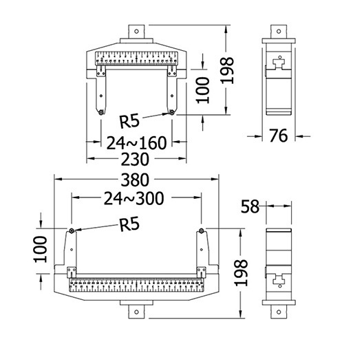
■四点曲げ試験台 型式:GR-C030
| 容量 | 20kN |
| ジョーフェース幅 | 58mm |
| 上グリップスパン | 24~160mm |
| 下グリップスパン | 24~300mm |
| 最小荷重元 | 1kN |
| 適用湿度 | 0~200°C |
| 上グリップ重量 | 7800g/個 |
| 下グリップ重量 | 11510g/個 |
| 対応サンプル例 | 金属、木材、ガラス、硬質プラスチック試験片向け |
| アプリケーション | ASTM D790 曲げ試験 |