| 容量 |
1kN |
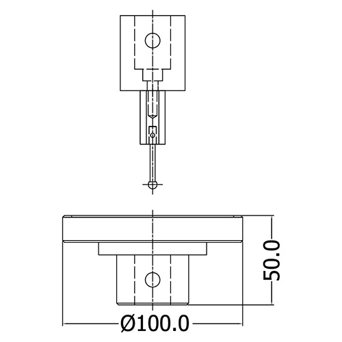
| 試験片使用サイズ |
厚さ25mm以上 |
| 最小荷重元 |
10N |
| 適用湿度 |
0~100°C |
| 上圧縮ヘッド重量 |
97.5g |
| 下グリップ重量 |
1250g |
| 対応するサンプル例 |
フィルム試験片向け |
| サポートする標準試験 |
ASTM F1306 フィルム刺し試験 |
| 容量 |
1kN |
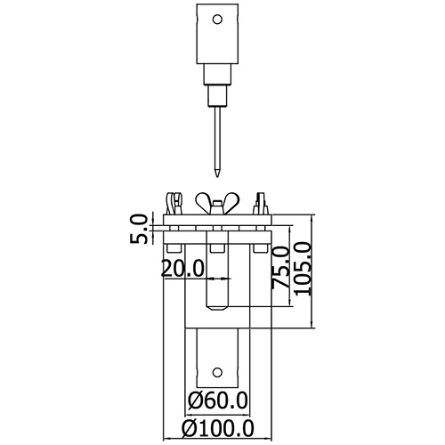
| 試験片使用サイズ |
厚度 3mm |
| 最小荷重元 |
50N |
| 適用湿度 |
0~100°C |
| 上圧縮ヘッド重量 |
518g |
| 下グリップ重量 |
2365g |
| 対応する試験規格 |
ASTM D4833 |
| 対応するサンプル例 |
適用於薄膜試片 |
| サポートする標準試験 |
ASTM F1306 フィルム刺し試験 |
| 容量 |
1kN |
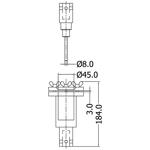
| 試験片使用サイズ |
5mm |
| 最小荷重元 |
200N |
| 適用湿度 |
0~100°C |
| 上圧縮ヘッド重量 |
1070g |
| 下グリップ重量 |
3703g |
| 対応する試験規格 |
JJS 6104 |
| 対応するサンプル例 |
フィルム試験片向け |
| サポートする標準試験 |
ASTM F1306 フィルム刺し試験 |
| 容量 |
10kN |
| 試験片使用サイズ |
厚さ 8mm |
| 最小荷重元 |
200N |
| 適用湿度 |
0~100°C |
| 上圧縮ヘッド重量 |
2907g |
| 下グリップ重量 |
11787g |
| 対応する試験規格 |
ASTM D6241 |
| 対応するサンプル例 |
フィルム試験片向け |
| サポートする標準試験 |
ASTM F1306 フィルム刺し試験 |